SCIA ENGINEER
Navigation überspringen
Projekte
Referenzen
Über Uns
Kontakt
Navigation überspringen
Impressum
| English
Beratung
Entwurf
Optimierung
Baueingabe
Bauphysik
Statik/Dynamik
Ausführungsplanung
Stadt + Landschaft
Projekte
>
Textilbauten
>
2D-Membranen
>
Sonnensegel BASF Bildungshaus 2008
>
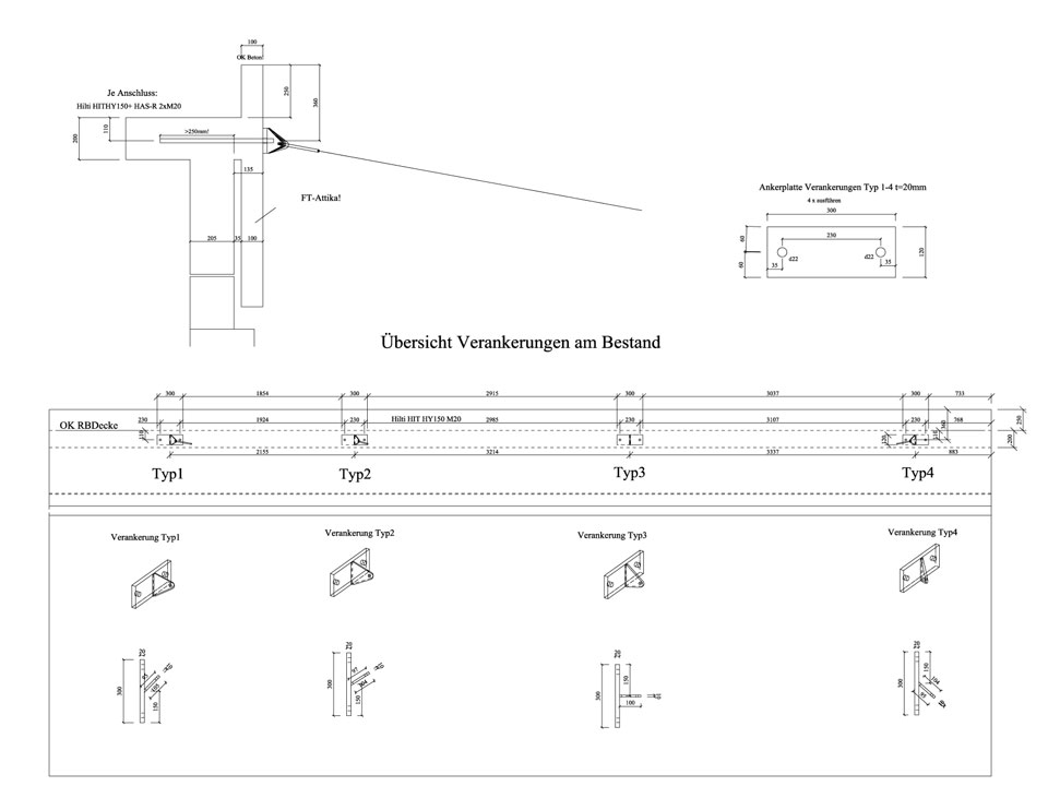
Details: Sonnensegel BASF Bildungshaus 2008
Bitte klicken Sie auf eines der Bilder, um die Galerie zu öffnen.
<<
Zurück